氣動薄膜調節閥如何選擇
隨著我國有色行業的迅猛發展,氣動薄膜調節閥由于結構簡單、操作方便、使用可靠、防火防爆等特點,廣泛應用于氧化鋁的生產過程。而作為自動調節系統的重要一環,它的工作狀態的好壞將直接影響自動控制過程,本文以自己的工作實踐為基礎,詳細敘述氣動薄膜調節閥的工作原理、選型過程、安裝及維修。
1 主要結構和工作原理
氣動執行器由執行機構和調節機構組成。氣動執行機構包括:氣動薄膜、氣動活塞、氣動長行程三種執行機構、調節機構為:閥、閘板、調節閥等,有直、角行程2種。
工作原理:當0.2~1kg/cm2 時的信號壓力輸人薄膜氣室中,產生推力使推桿部件移動、彈簧被壓縮產生的反作用力與信號壓力在薄膜上產生的推力相平衡。推桿的移動即是氣動薄膜執行機構的行程。正作用式:當薄膜氣室的信號壓力為零時,推桿部件位于下方,當薄膜氣室內輸人信號壓力時,使推桿部件向下移動;反作用式:當薄膜氣室的信號壓力為零時,推桿部件位于上方,當薄膜氣室內輸人信號壓力時,使推桿部件向上移動。
2 氣動薄膜調節閥流t特性和選型原則
流量特性是指閥位開度和流量大小的關系,直接影響調節質量和系統的穩定性,與被調參數和設備對象,工藝流程有關。
2.1 理想流量特性
調節閥兩端壓差不變時相對流量與相對開度(行程)的關系:Q/Qmax=f×l/L
式中,Q為某一開度時,調節閥的流量及閥桿行程;f為閥芯系數;Qmax、L為調節閥全開時的最大流量及閥桿全行程。理想流量特性取決于閥芯的尺寸,不同的閥芯曲面得到不同的理想流量特性。
2.2 工作流量特性分析
調節閥前后端壓差變化情況下得到的流量特性。分為直線特性、對數特點、拋物線特性等。拋物線特性介于直線和對數之間。
經計算、分析,直線特性調節閥工作在小開度時調節性強,相對流量變化率過于激烈,不易控制,小干擾大克服容易過頭,引起系統振蕩,而在大開度時,相對變化率下,調節性能弱,太遲鈍,大的干擾不能很快克服;對數特性是指單位開度變化所引起的相對流量變化值與此點相對流量成正比.經計算、分析,對數閥在小開度時放大倍數小,緩和平衡,利于操作控制,而在大開度時放大倍數大,工作能靈敏有效,是最常用的閥門。
2.3 流量特性選擇規則
工業生產中常用的調節閥如直線、對數、快開特性,一般選取直線、對數特性即可滿足工藝調節要求,快開特性適應于二位調節,對于比較難控制和要求較嚴的對象,從以下幾個方面考慮:
用調節閥的非線性去補償過程的非線性,使系統總的增益變化較小,穩定;
工藝管道情況,考慮工藝管道阻力情況;
適應系統的負荷波動;
考慮調節閥的工作條件和使用壽命;
調節閥工作特性改善。
3 流量能力C值的計算方法和調節閥口徑的確定
C 值的定義:我國規定在調節閥前后壓差為 1kPa、液體重度為 1kPa3 的情況下,以每小時通過調節閥門的流體m3數值,表示流通能力C值的大小(以氧化鋁料漿為例。)
調節閥壓差:S=ΔP/(∑ΔPF+ΔP)
式中,ΔP 為調節閥差壓;∑ΔPF 為最大流量時管路阻力降。
C=Q(r/ΔP)1/2=G/(ΔP * r)1/2
式中,Q、G為工藝所提供的體積或重量流量;ΔP為閥門前后壓差;r為重度。
C值的選取和公稱通徑Dg及閥座直徑dg的確定,由工藝提供的最大流量和對應的最小壓差。計算出Cmax,便可選取合適的閥。
4 應用實例
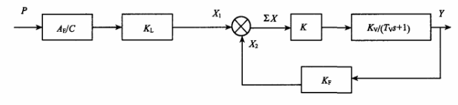
中鋁山西公司沉降工段負責將高壓溶出的料漿通過洗滌、沉降槽的作用下,將赤泥沉淀、分離出來。在料漿輸送過程中,需要大量的氣動調節閥來調節流量。根據現場的工藝環境或計算,氣動閥采用了美國FISHER-ROSEMOUNT公司生產的氣動調節閥,由閥門定位器和調節閥組成。閥門定位器采用了位移式氣動閥門定位器,其負反饋閉環系統。見圖 1。

圖 1 沉降料漿閉環系統
圖中 A為波紋管的有效面積;C為測量組件的剛度;K為三級功率放大器的放大倍數;KL為輸人信號傳動杠桿比;KF為反饋信號傳動杠桿比;KV/(TVs+1) 是氣動調節閥的傳遞函數,是一個一階周期環節,KV為調節的放大系數,與執行機構的薄膜有效面積和彈簧剛度及調節的結構等因素有關;TV為調節閥的時間常數,也與氣室大小等因素有關。
上述負反饋系統中,閥桿輸出位移 Y 與輸人的調節器壓力領信號 P 之間的傳遞函數:
W(s)=Y/P≈AEKL/CKF
AE、KL、C、KF 一定時,Y與P之間成一一對應的比例關系。也就是說,通過電一氣閥門定位器的電氣轉換,定位器接受來自調節器或控制系統的電流信號(4~20mA),這個信號改變執行機構氣室的壓力P,使閥門的位置達到給定值Y,從而達到調節的目的。
4.1 調節閥反向動作和流量特性
在應用過程中,由于生產需要將一臺氣關式調節閥改成氣開式調節器,在以前就需將閥芯反裝,或采用反作用式執行機構。在現場改裝比較麻煩,而且需有一定的備品才行。采用閥門定位器后,正作用定位器的輸人信號從20~100kPa變化時,它的輸出信號從20~100kPa變為100~20kPa即可。具體結構中,用到一個凸輪和兩個噴嘴。左噴嘴用以實現正作用,右噴嘴實現反作用。左、右噴嘴與放大器的氣路用背壓切換板來溝通。調節閥的流量特性可以通過改變反饋凸輪的幾何形狀來改變。改變反饋凸輪的幾何形狀能夠改變調節閥的反饋量,使定位器的輸出特性發生變化,從而修正了流量特性。
4.2 手動機構的配置
當氣源信號或電信號出現故障時,或者當執行機構的主要元件(膜片、彈黃等)損壞時,就需把自動操作改為手動操作,需轉動手輪維持調節閥的調節功能;另一方面,這種機構也可作為調節閥行程的限位器,當信號壓力為零時,調節閥不是全開就是全關,如果工藝過程要求調節閥有少量的流量,可利用手輪來達到目的。手輪機構有頂裝式和側裝式,頂裝式只能為單方向限制行程,如果在選型或安裝時,選用側裝式可以根據工藝的要求安在左或右側實現限位。總之,手動機構可提高調節閥運行的可靠性,特別是調節閥臺增設旁路,使用口徑較大的調節閥時,使用手輪機構從投資費用或占地面積都很合算。所以自動操作完成正常和執行機構無故障時,由于不使用手動機構,為此經常要加油防銹。
5 安裝調節閥須注意的幾個問題
(1)氣動應安裝在便于維護、修理的地方。
(2)當選定調節閥的公稱通徑與工藝管徑不同時應加裝異接頭進行連接。
(3)安裝在有振源的場合,應增加防振措施。
(4)安裝時,必須使閥體上或法蘭上的箭頭方向指向介質方向。
(5)安裝前,需要認真清洗管道內焊渣和其它雜物,在安裝后,應將閥芯處于最大開度,并對管道和閥再一次清洗,以防雜物卡住和損傷節流件。
6 結束語
氣動薄膜調節閥的正確選型、安裝、使用、維修,不僅能夠提高過程控制的可靠性,而且能夠快速解決閥的故障,增加閥的使用壽命對企業的節能降耗有著可觀的經濟效益。